This website requires JavaScript.
Μεταχειρισμένα και καινούργια ανταλλακτικά τρακτέρ
Paouris Parts
EL
Φρέζα

Kubota Άξονας 70180-55310

Κωδικός:
70180-55310-U
Άμεσα διαθέσιμο

Kubota Άξονας 70180-55310. Ανταλλακτικά μεταχειρισμένα και καινούρια, εισαγόμενα από την Ιαπωνία σε άριστη κατάσταση. Βρείτε γνήσια - original και ιμιτασιόν - aftermarket ανταλλακτικά για όλα τα Kubota σε προσιτές τιμές.

Τιμή €300,00
Στις τιμές δεν συμπεριλαμβάνεται ο Φ.Π.Α.

Επιλέξτε παραλλαγή

Κατάσταση: Μεταχειρισμένο Γνήσιο
Σε απόθεμα Τελευταία τεμάχια
€300,00

Ποσότητα

Ενδιαφέρεστε για αυτό το ανταλλακτικό; Ζητήστε τις πληροφορίες που σας ενδιαφέρουν
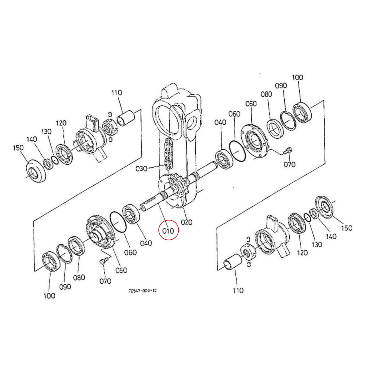
Το προϊόν περιλαμβάνει τους παρακάτω κωδικούς από το σχέδιο
010. Άξονας 70180-55310
Το προϊόν είναι συμβατό με τα παρακάτω μοντέλα τρακτέρ Kubota
Aste A-15, Aste A-17, Aste A-19, Aste A-155, Aste A-175, Aste A-195
Το προϊόν είναι συμβατό με τις παρακάτω φρέζες Kubota
RKP10, RKP105, RKP12, RKP125
Κατασκευαστής
Ανταλλακτικά γεωργικών μηχανημάτων - τρακτέρ Kubota

Η μεγαλύτερη συλλογή ανταλλακτικών Kubota. Βρείτε ανταλλακτικά τρακτέρ Kubota, γνήσια μεταχειρισμένα και καινούρια, γνήσια ανακατασκευασμένα, aftermarket - ιμιτασιόν, αλλά και δικής μας κατασκευής άριστης ποιότητας ανταλλακτικά.

Διαθέτουμε μεγάλη γκάμα ανταλλακτικών για όλα τα μοντέλα τρακτέρ Kubota

Αν δεν βρίσκετε αυτό που ψάχνετε πιθανόν να μην έχει καταχωρηθεί ακόμη για άμεση ηλεκτρονική αγορά. Επικοινωνήστε μαζί μας τηλεφωνικά, μέσω Viber, e-mail ή την φόρμα επικοινωνίας για να κάνετε την παραγγελία σας.

Παρόμοια προϊόντα

Κωδ. 79163-31711
Διαθεσιμότητα
Από €240,00
Κωδ. 66713-31852
Διαθεσιμότητα
Από €80,00
Κωδ. 79163-31821
Διαθεσιμότητα
Από €190,00
Κωδ. 79163-32231
Διαθεσιμότητα
Από €20,00
Κωδ. 79163-32313
Διαθεσιμότητα
Από €130,00
Από €125,00
Από €50,00
Κωδ. 66616-32321
Διαθεσιμότητα
Από €120,00
Κωδ. 70159-51110
Διαθεσιμότητα
Από €200,00
Κωδ. 70159-51200
Διαθεσιμότητα
Από €350,00
Κωδ. 70158-51410
Διαθεσιμότητα
Από €150,00
Κωδ. 70159-51510
Διαθεσιμότητα
Από €130,00