This website requires JavaScript.
Μεταχειρισμένα και καινούργια ανταλλακτικά τρακτέρ
Paouris Parts
EL
Πλαίσιο

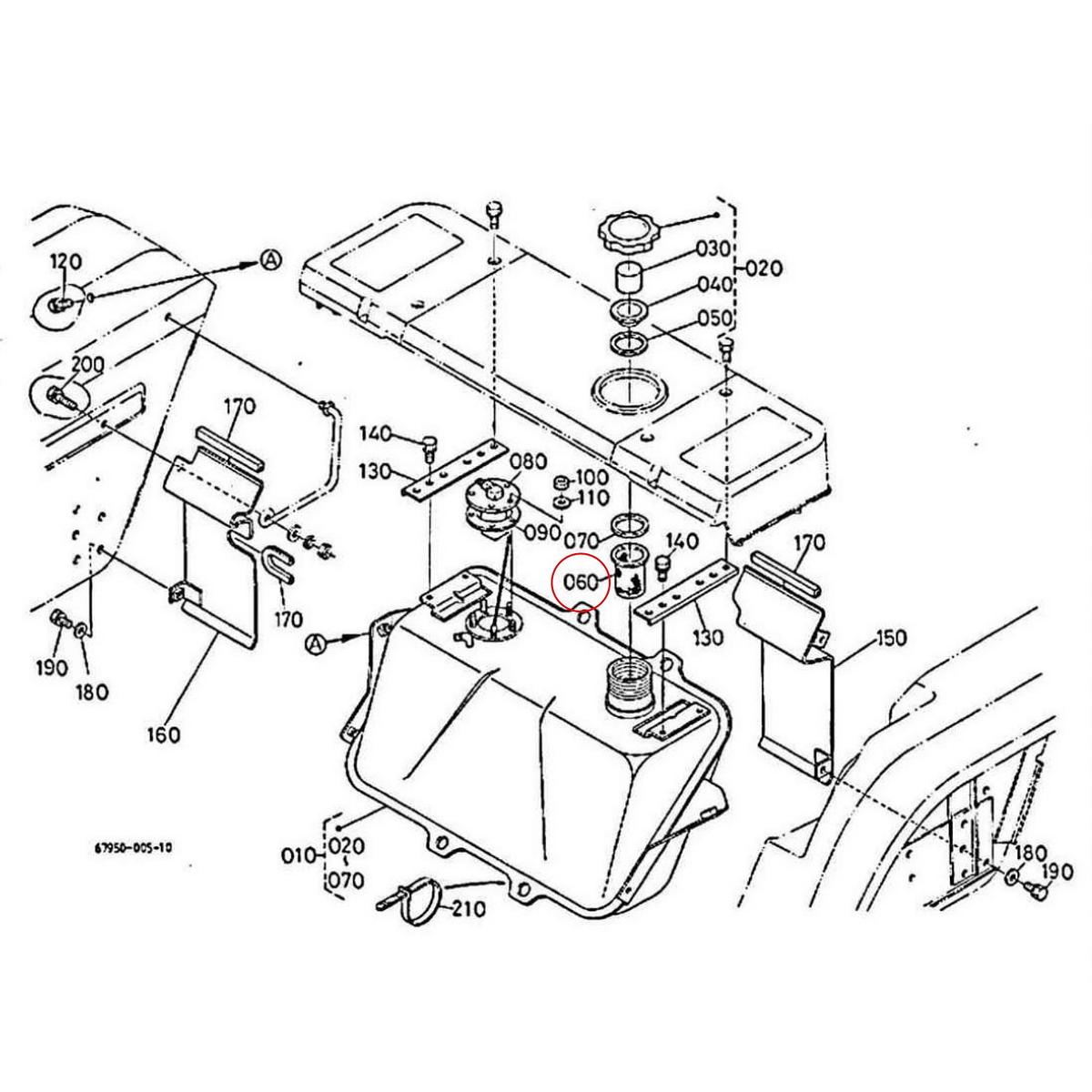
Kubota Φίλτρο ντεποζίτου 13251-41060

Κωδικός:
13251-41060
Άμεσα διαθέσιμο

Kubota Φίλτρο ντεποζίτου 13251-41060. Ανταλλακτικά μεταχειρισμένα και καινούρια, εισαγόμενα από την Ιαπωνία σε άριστη κατάσταση. Βρείτε γνήσια - original και ιμιτασιόν - aftermarket ανταλλακτικά για όλα τα Kubota σε προσιτές τιμές.

Τιμή €15,00
Στις τιμές δεν συμπεριλαμβάνεται ο Φ.Π.Α.

Επιλέξτε παραλλαγή

Κατάσταση: Καινούργιο Γνήσιο
Σε απόθεμα Τελευταία τεμάχια
€15,00

Ποσότητα

Ενδιαφέρεστε για αυτό το ανταλλακτικό; Ζητήστε τις πληροφορίες που σας ενδιαφέρουν
Το προϊόν περιλαμβάνει τους παρακάτω κωδικούς από το σχέδιο
060. Φίλτρο ντεποζίτου 13251-41060
13251-41061
13251-41062
10211-41350
10242-41350
10242-41351
10242-41352
10242-41353
13251-41350
13251-41351
13251-41352
13251-41353
13251-41600
13251-41601
13251-41602
14123-41350
14123-41351
14123-41352
14123-41353
14123-41354
Το προϊόν είναι συμβατό με τα παρακάτω μοντέλα τρακτέρ Kubota
Aste A-15, Aste A-17, Aste A-19, Aste A-155, Aste A-175, Aste A-195
Το προϊόν είναι συμβατό με τα παρακάτω μοντέλα τρακτέρ Hinomoto
CX16, CX18, CX19
Το προϊόν είναι συμβατό με τους παρακάτω κινητήρες Kubota
D1005, D1105, D905
Κατασκευαστής
Ανταλλακτικά γεωργικών μηχανημάτων - τρακτέρ Kubota

Η μεγαλύτερη συλλογή ανταλλακτικών Kubota. Βρείτε ανταλλακτικά τρακτέρ Kubota, γνήσια μεταχειρισμένα και καινούρια, γνήσια ανακατασκευασμένα, aftermarket - ιμιτασιόν, αλλά και δικής μας κατασκευής άριστης ποιότητας ανταλλακτικά.

Διαθέτουμε μεγάλη γκάμα ανταλλακτικών για όλα τα μοντέλα τρακτέρ Kubota

Αν δεν βρίσκετε αυτό που ψάχνετε πιθανόν να μην έχει καταχωρηθεί ακόμη για άμεση ηλεκτρονική αγορά. Επικοινωνήστε μαζί μας τηλεφωνικά, μέσω Viber, e-mail ή την φόρμα επικοινωνίας για να κάνετε την παραγγελία σας.

Παρόμοια προϊόντα

Κωδ. 15471-60010
Διαθεσιμότητα
Από €60,00
Κωδ. 31351-16060
Διαθεσιμότητα
Από €50,00
Κωδ. 67156-54830
Διαθεσιμότητα
Από €135,00
Κωδ. 67156-54820
Διαθεσιμότητα
Από €100,00
Κωδ. 67156-54820
Διαθεσιμότητα
Από €90,00
Κωδ. 66591-22341
Διαθεσιμότητα
Από €80,00
Κωδ. 66591-22361
Διαθεσιμότητα
Από €90,00
Κωδ. 66706-55120
Διαθεσιμότητα
Από €45,00
Κωδ. 15231-72061
Διαθεσιμότητα
Από €170,00
Κωδ. 15231-72420
Διαθεσιμότητα
Από €25,00
Κωδ. 66711-54701
Διαθεσιμότητα
Από €75,00
Κωδ. 31351-33380
Διαθεσιμότητα
Από €45,00