This website requires JavaScript.
Μεταχειρισμένα και καινούργια ανταλλακτικά τρακτέρ
Paouris Parts
EL
Σύστημα Μετάδοσης

Kubota Φουρκέτα 67980-18620

Κωδικός:
67980-18620-U
Άμεσα διαθέσιμο

Kubota Φουρκέτα 67980-18620. Ανταλλακτικά μεταχειρισμένα και καινούρια, εισαγόμενα από την Ιαπωνία σε άριστη κατάσταση. Βρείτε γνήσια - original και ιμιτασιόν - aftermarket ανταλλακτικά για όλα τα Kubota σε προσιτές τιμές.

Τιμή €150,00
Στις τιμές δεν συμπεριλαμβάνεται ο Φ.Π.Α.

Επιλέξτε παραλλαγή

Κατάσταση: Μεταχειρισμένο Γνήσιο
Σε απόθεμα Τελευταία τεμάχια
€150,00

Ποσότητα

Ενδιαφέρεστε για αυτό το ανταλλακτικό; Ζητήστε τις πληροφορίες που σας ενδιαφέρουν
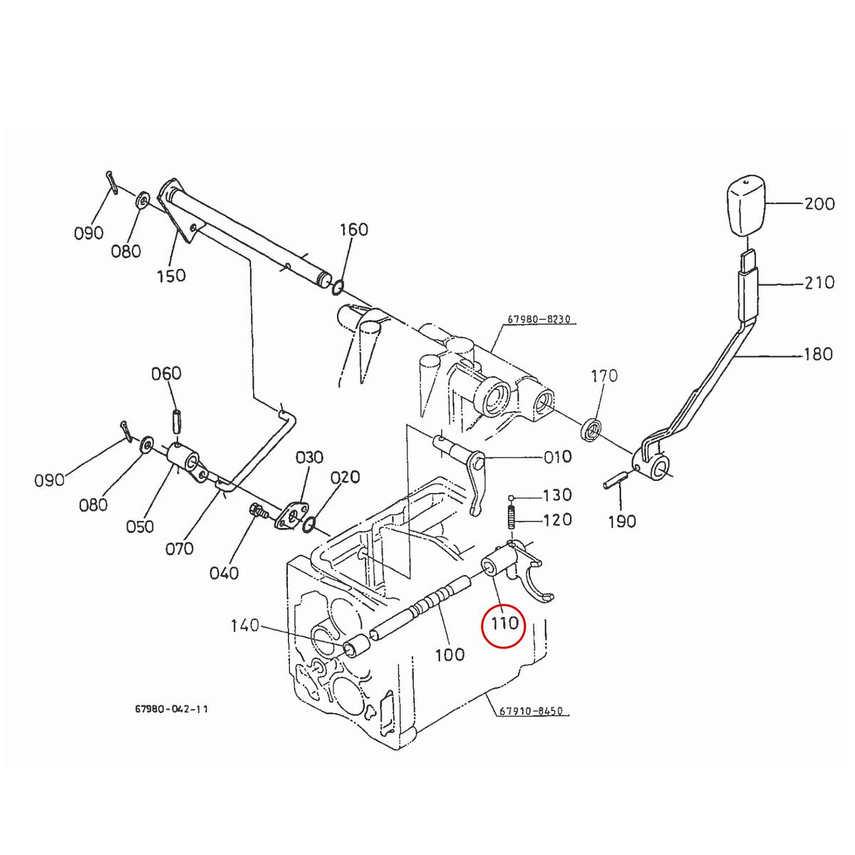
Το προϊόν περιλαμβάνει τους παρακάτω κωδικούς από το σχέδιο
110. Φουρκέτα 67980-18620
Το προϊόν είναι συμβατό με τα παρακάτω μοντέλα τρακτέρ Kubota
Aste A-13, Aste A-14
Κατασκευαστής
Ανταλλακτικά γεωργικών μηχανημάτων - τρακτέρ Kubota

Η μεγαλύτερη συλλογή ανταλλακτικών Kubota. Βρείτε ανταλλακτικά τρακτέρ Kubota, γνήσια μεταχειρισμένα και καινούρια, γνήσια ανακατασκευασμένα, aftermarket - ιμιτασιόν, αλλά και δικής μας κατασκευής άριστης ποιότητας ανταλλακτικά.

Διαθέτουμε μεγάλη γκάμα ανταλλακτικών για όλα τα μοντέλα τρακτέρ Kubota

Αν δεν βρίσκετε αυτό που ψάχνετε πιθανόν να μην έχει καταχωρηθεί ακόμη για άμεση ηλεκτρονική αγορά. Επικοινωνήστε μαζί μας τηλεφωνικά, μέσω Viber, e-mail ή την φόρμα επικοινωνίας για να κάνετε την παραγγελία σας.

Παρόμοια προϊόντα

Κωδ. 09180-17328
Διαθεσιμότητα
Από €6,90
Κωδ. 09500-20428
Διαθεσιμότητα
Από €6,50
Κωδ. 09500-17478
Διαθεσιμότητα
Από €5,00
Κωδ. 09500-20357
Διαθεσιμότητα
Από €8,00
Κωδ. 67980-18720
Διαθεσιμότητα
Από €5,00
Κωδ. 67156-76730
Διαθεσιμότητα
Από €15,00
Κωδ. 67156-18290
Διαθεσιμότητα
Από €8,00
Κωδ. 67211-12130
Διαθεσιμότητα
Από €15,00
Κωδ. 09500-20347
Διαθεσιμότητα
Από €5,00
Κωδ. 67950-14110
Διαθεσιμότητα
Από €300,00
Κωδ. 67950-14150
Διαθεσιμότητα
Από €230,00
Κωδ. 67111-14150
Διαθεσιμότητα
Από €150,00