This website requires JavaScript.
Μεταχειρισμένα και καινούργια ανταλλακτικά τρακτέρ
Paouris Parts
EL
Σύστημα διεύθυνσης

Kubota Κοβώτιο τιμονιού 67111-41110

Κωδικός:
67111-41110-U
Άμεσα διαθέσιμο

Kubota Κοβώτιο τιμονιού 67111-41110. Ανταλλακτικά μεταχειρισμένα και καινούρια, εισαγόμενα από την Ιαπωνία σε άριστη κατάσταση. Βρείτε γνήσια - original και ιμιτασιόν - aftermarket ανταλλακτικά για όλα τα Kubota σε προσιτές τιμές.

Τιμή €350,00
Στις τιμές δεν συμπεριλαμβάνεται ο Φ.Π.Α.

Επιλέξτε παραλλαγή

Κατάσταση: Μεταχειρισμένο Γνήσιο
Σε απόθεμα Τελευταία τεμάχια
€350,00

Ποσότητα

Ενδιαφέρεστε για αυτό το ανταλλακτικό; Ζητήστε τις πληροφορίες που σας ενδιαφέρουν
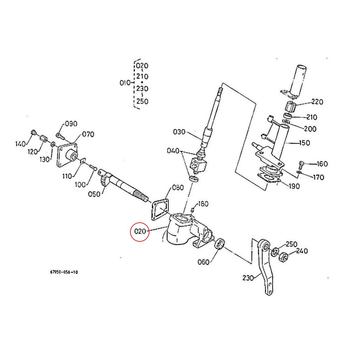
Το προϊόν περιλαμβάνει τους παρακάτω κωδικούς από το σχέδιο
020. Κοβώτιο τιμονιού 67111-41110
Το προϊόν είναι συμβατό με τα παρακάτω μοντέλα τρακτέρ Kubota
Aste A-15, Aste A-17, Aste A-19, Aste A-155, Aste A-175, Aste A-195
Το προϊόν είναι συμβατό με τα παρακάτω μοντέλα τρακτέρ Hinomoto
CX16, CX18, CX19
Κατασκευαστής
Ανταλλακτικά γεωργικών μηχανημάτων - τρακτέρ Kubota

Η μεγαλύτερη συλλογή ανταλλακτικών Kubota. Βρείτε ανταλλακτικά τρακτέρ Kubota, γνήσια μεταχειρισμένα και καινούρια, γνήσια ανακατασκευασμένα, aftermarket - ιμιτασιόν, αλλά και δικής μας κατασκευής άριστης ποιότητας ανταλλακτικά.

Διαθέτουμε μεγάλη γκάμα ανταλλακτικών για όλα τα μοντέλα τρακτέρ Kubota

Αν δεν βρίσκετε αυτό που ψάχνετε πιθανόν να μην έχει καταχωρηθεί ακόμη για άμεση ηλεκτρονική αγορά. Επικοινωνήστε μαζί μας τηλεφωνικά, μέσω Viber, e-mail ή την φόρμα επικοινωνίας για να κάνετε την παραγγελία σας.

Παρόμοια προϊόντα

Κωδ. 31351-16200
Διαθεσιμότητα
Από €330,00
Κωδ. 67111-41150
Διαθεσιμότητα
Από €200,00
Κωδ. 67156-41102
Διαθεσιμότητα
Από €650,00
Κωδ. 37970-44613
Διαθεσιμότητα
Από €220,00
Κωδ. 37970-44653
Διαθεσιμότητα
Από €220,00
Κωδ. 67156-41120
Διαθεσιμότητα
Από €100,00
Από €130,00
Κωδ. 34160-43930
Διαθεσιμότητα
Από €125,00
Κωδ. 37410-66600
Διαθεσιμότητα
Από €310,00
Κωδ. 67121-56530
Διαθεσιμότητα
Από €60,00
Κωδ. 67121-56510
Διαθεσιμότητα
Από €80,00
Κωδ. 67910-56420
Διαθεσιμότητα
Από €160,00