This website requires JavaScript.
Μεταχειρισμένα και καινούργια ανταλλακτικά τρακτέρ
Paouris Parts
EL
Κινητήρας

Kubota Προθέρμανση 16851-65510

Κωδικός:
16851-65510
Άμεσα διαθέσιμο

Kubota Προθέρμανση 16851-65510. Ανταλλακτικά μεταχειρισμένα και καινούρια, εισαγόμενα από την Ιαπωνία σε άριστη κατάσταση. Βρείτε γνήσια - original και ιμιτασιόν - aftermarket ανταλλακτικά για όλα τα Kubota σε προσιτές τιμές.

Τιμή €60,00
Στις τιμές δεν συμπεριλαμβάνεται ο Φ.Π.Α.

Επιλέξτε παραλλαγή

Κατάσταση: Καινούργιο Γνήσιο
Σε απόθεμα Τελευταία τεμάχια
€60,00

Ποσότητα

Ενδιαφέρεστε για αυτό το ανταλλακτικό; Ζητήστε τις πληροφορίες που σας ενδιαφέρουν
Το προϊόν περιλαμβάνει τους παρακάτω κωδικούς από το σχέδιο
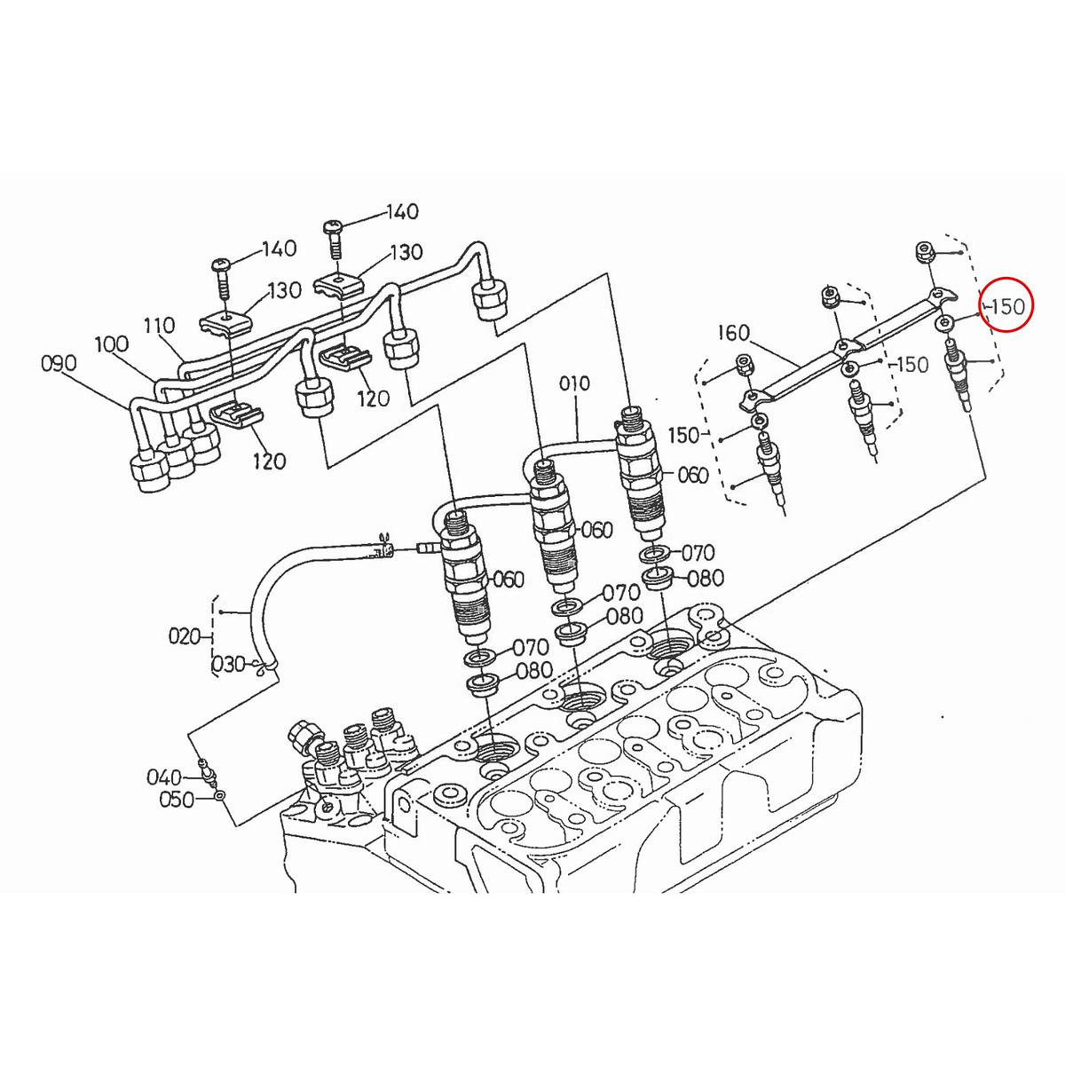
150. Προθέρμανση 16851-65510
Το προϊόν είναι συμβατό και με τους παρακάτω κωδικούς
16851-65511, 16851-65512, 16281-65510, 1G679-65510, 1G679-65512
Το προϊόν είναι συμβατό με τα παρακάτω μοντέλα τρακτέρ Kubota
Aste A-13, Aste A-14
Το προϊόν είναι συμβατό με τους παρακάτω κινητήρες Kubota
D662-1B, D722-1B
Κατασκευαστής
Ανταλλακτικά γεωργικών μηχανημάτων - τρακτέρ Kubota

Η μεγαλύτερη συλλογή ανταλλακτικών Kubota. Βρείτε ανταλλακτικά τρακτέρ Kubota, γνήσια μεταχειρισμένα και καινούρια, γνήσια ανακατασκευασμένα, aftermarket - ιμιτασιόν, αλλά και δικής μας κατασκευής άριστης ποιότητας ανταλλακτικά.

Διαθέτουμε μεγάλη γκάμα ανταλλακτικών για όλα τα μοντέλα τρακτέρ Kubota

Αν δεν βρίσκετε αυτό που ψάχνετε πιθανόν να μην έχει καταχωρηθεί ακόμη για άμεση ηλεκτρονική αγορά. Επικοινωνήστε μαζί μας τηλεφωνικά, μέσω Viber, e-mail ή την φόρμα επικοινωνίας για να κάνετε την παραγγελία σας.

Παρόμοια προϊόντα

Κωδ. Kubota-D1005
Διαθεσιμότητα
Τιμή €1.700,00
Κωδ. Kubota-D1105
Διαθεσιμότητα
Τιμή €1.900,00
Κωδ. Kubota-D650
Διαθεσιμότητα
Τιμή €1.600,00
Κωδ. Kubota-D662
Διαθεσιμότητα
Τιμή €1.250,00
Κωδ. Kubota-D722
Διαθεσιμότητα
Τιμή €1.450,00
Κωδ. Kubota-D850
Διαθεσιμότητα
Τιμή €1.950,00
Κωδ. Kubota-D750
Διαθεσιμότητα
Τιμή €1.850,00
Κωδ. Kubota-D782
Διαθεσιμότητα
Τιμή €1.450,00
Κωδ. Kubota-D950
Διαθεσιμότητα
Τιμή €2.100,00
Κωδ. Kubota-D905
Διαθεσιμότητα
Τιμή €1.600,00
Κωδ. Kubota-V1100
Διαθεσιμότητα
Τιμή €2.000,00
Κωδ. Kubota-V1200
Διαθεσιμότητα
Τιμή €2.000,00