This website requires JavaScript.
Μεταχειρισμένα και καινούργια ανταλλακτικά τρακτέρ
Paouris Parts
EL
Σύστημα Μετάδοσης

Kubota Τσιμούχα 67980-18720

Κωδικός:
67980-18720-A
Άμεσα διαθέσιμο

Kubota Τσιμούχα 67980-18720. Ανταλλακτικά μεταχειρισμένα και καινούρια, εισαγόμενα από την Ιαπωνία σε άριστη κατάσταση. Βρείτε γνήσια - original και ιμιτασιόν - aftermarket ανταλλακτικά για όλα τα Kubota σε προσιτές τιμές.

Τιμή €5,00
Στις τιμές δεν συμπεριλαμβάνεται ο Φ.Π.Α.

Επιλέξτε παραλλαγή

Κατάσταση: Καινούργιο Aftermarket (ιμιτασιόν)
Σε απόθεμα
€5,00

Ποσότητα

Ενδιαφέρεστε για αυτό το ανταλλακτικό; Ζητήστε τις πληροφορίες που σας ενδιαφέρουν
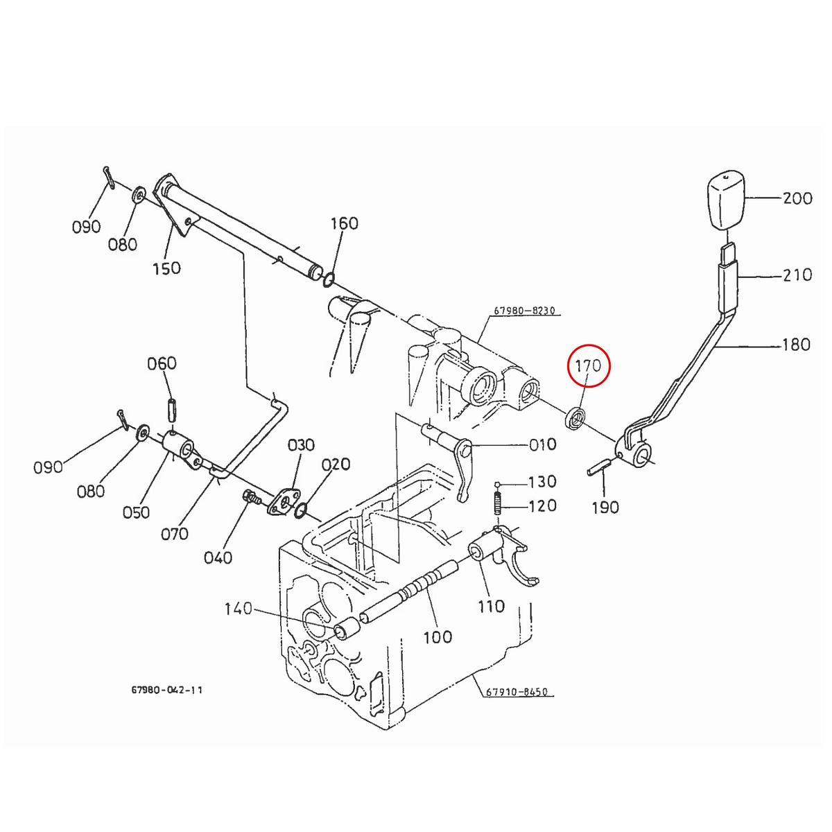
Το προϊόν περιλαμβάνει τους παρακάτω κωδικούς από το σχέδιο
170. Τσιμούχα 67980-18720
Το προϊόν είναι συμβατό με τα παρακάτω μοντέλα τρακτέρ Kubota
Aste A-13, Aste A-14
Κατασκευαστής
Ανταλλακτικά γεωργικών μηχανημάτων - τρακτέρ Kubota

Η μεγαλύτερη συλλογή ανταλλακτικών Kubota. Βρείτε ανταλλακτικά τρακτέρ Kubota, γνήσια μεταχειρισμένα και καινούρια, γνήσια ανακατασκευασμένα, aftermarket - ιμιτασιόν, αλλά και δικής μας κατασκευής άριστης ποιότητας ανταλλακτικά.

Διαθέτουμε μεγάλη γκάμα ανταλλακτικών για όλα τα μοντέλα τρακτέρ Kubota

Αν δεν βρίσκετε αυτό που ψάχνετε πιθανόν να μην έχει καταχωρηθεί ακόμη για άμεση ηλεκτρονική αγορά. Επικοινωνήστε μαζί μας τηλεφωνικά, μέσω Viber, e-mail ή την φόρμα επικοινωνίας για να κάνετε την παραγγελία σας.

Παρόμοια προϊόντα

Κωδ. 09503-58011
Διαθεσιμότητα
Από €8,00
Κωδ. 58912-21630
Διαθεσιμότητα
Από €8,00
Κωδ. 09400-30458
Διαθεσιμότητα
Από €10,00
Κωδ. 79105-32130
Διαθεσιμότητα
Από €13,00
Κωδ. 09500-35558
Διαθεσιμότητα
Από €8,00
Κωδ. 55314-22430
Διαθεσιμότητα
Από €12,00
Κωδ. 09560-00007
Διαθεσιμότητα
Από €13,00
Κωδ. 15841-13150
Διαθεσιμότητα
Από €6,00
Κωδ. 15841-04140
Διαθεσιμότητα
Από €13,00
Κωδ. 70172-52420
Διαθεσιμότητα
Από €13,00
Κωδ. 66716-33110
Διαθεσιμότητα
Από €40,00
Κωδ. 04811-51200
Διαθεσιμότητα
Από €10,00